
地 址:上海市金山区兴塔工业区
咨询电话:021-57362601
图文传真:021-33250343
电子邮箱:hanyuev@126.com
网 址:http://www.maiby.cn
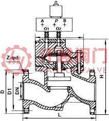
J841X电磁液动隔膜排泥阀由阀体、阀盖、阀板、阀杆、膜片、隔膜式压力腔等零部件和控制系统组成。主要安装在给排水、污废水、石油、化工等领域的反应池、沉淀池及净化设备等作排泥,排污用,特别适合用在启动频繁的工况场合。其驱动压力源靠外部大于管道本身压力加0.2MPa左右长期供应,只需对电磁换向阀通电或断电便能改变流体进入隔膜上下腔,从而带动阀板上升或下降,起到阀门的启闭,快速排除污泥。本产品也可采用气动、电动等其它驱动方式,以及手动或电动集中控制。
序号 | 部件名称 | 材料名称 | ||||
1 | 阀 体 | HT200 | QT450-10 | WCB | CF8 | CF8M |
2 | 阀 盖 | HT200 | QT450-10 | WCB | CF8 | CF8M |
3 | 阀 板 | HT200 | QT450-10 | WCB | CF8 | CF8M |
4 | 阀 杆 | 2Cr13 | 2Cr13 | 2Cr13 | 304 | 316 |
5 | 膜 片 | NBR/EPDM | NBR/EPDM | NBR/EPDM | NBR/EPDM | NBR/EPDM |
6 | 膜 片 座 | HT200 | QT450-10 | WCB | CF8 | CF8M |
7 | 螺 栓 | 35 | 35 | 35 | 304 | 316 |
8 | 螺 母 | 45 | 45 | 45 | 304 | 316 |
公称压力PN(MPa) | 0.25 | 0.6 | 1.0 | 1.6 | 2.0 |
壳体试验压力(MPa) | 0.375 | 0.9 | 1.5 | 2.4 | 3.0 |
高压液密封试验压力(MPa) | 0.275 | 0.66 | 1.1 | 1.76 | 2.2 |
低压气密封试验压力(MPa) | 0.275 | 0.66 | 0.6 | 0.6 | 0.6 |
驱动压力 | 管道实际压力+0.2MPa | ||||
驱动介质 | 清水、空气、油品或按订货合同要求 | ||||
法兰标准 | GB/T 17241.6-2008、JB/T 79-2015、GB/T 9113-2010、ASME B16.5-2017等 | ||||
检验试验 | GB/T 13927-2008、API 598-2016 | ||||
介质温度 | 0℃ ~ 80℃ | ||||
公称压力 PN | 公称通径 DN | 尺寸mm | ||||||
L | H | D | D1 | D2 | b-f | Z-?d | ||
10 | 50 | 230 | 225 | 165 | 125 | 102 | 18-3 | 4-18 |
80 | 285 | 270 | 200 | 160 | 138 | 20-3 | 8-18 | |
100 | 360 | 375 | 220 | 180 | 158 | 20-3 | 8-18 | |
150 | 455 | 450 | 285 | 240 | 212 | 22-3 | 8-22 | |
200 | 585 | 645 | 340 | 295 | 268 | 24-3 | 8-22 | |
250 | 720 | 770 | 395 | 350 | 320 | 26-3 | 12-22 | |
300 | 800 | 900 | 445 | 400 | 370 | 26-4 | 12-22 | |
400 | 960 | 1030 | 565 | 515 | 482 | 26-4 | 16-26 | |
表中只列出了部分JB/T 79-2015标准PN10法兰连接外形尺寸。如需其他规格尺寸,请咨询汗越阀门技术部! | ||||||||

如果你需订购我厂排泥阀产品,咨询时烦请告知公称通径、公称压力、阀体材质、法兰标准及法兰密封面形式等,本产品电磁阀线圈电压有DC24V和AC220V两种,订货时请注明!
网站首页