
地 址:上海市金山区兴塔工业区
咨询电话:021-57362601
图文传真:021-33250343
电子邮箱:hanyuev@126.com
网 址:http://www.maiby.cn

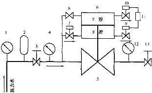
图1 软密封闸阀测试系统原理
1.压力表 2.稳压容器 3.水系统阀 4.阀前压力表 5.被测试软密封闸阀 6.膜片双腔控制装置
7.常闭电磁阀 8 . 闸阀 9.常闭电磁阀 10.??绱欧?/span> 11.计数器 12.阀后压力表 13.阀后控制阀
按图1所示测试系统,采用的电磁阀电压为220V,系统经稳压后的测试水压为,0.3MPa。1、当常闭电磁阀7通电时,该常闭电磁阀打开,管道中的压力水通过连接管进入膜片控制室下腔,而电磁阀9、10均不通电,则常闭电磁阀9处于关闭状态,??绱欧?/span>10处于打开状态。此时,膜片控制室下腔压强增大,而膜片控制室上腔则正在进行排空,从而实现膜片控制装置上下腔压强差,由膜片压板带动阀板上升而开启。
2、当常闭电磁阀7不通电时,电磁阀,9、10通电,管道中的压力水通过闸阀截流后进入膜片控制室上腔,下腔则由于常闭电磁阀9的打开而排空,从而使膜片压板带动阀板下降而关闭。
3、测试系统原理装置设定关闭时间为70S,开启时间为50S,一个循环为2min,记数器对每一个启闭循环记录一次。
4、按照测试系统原理进行的此次软密封闸阀静压寿命测试,完全符合JB/T 8858-2004《闸阀静压寿命试验规程》试验要求,被测试的软密封闸阀密封性能完全符合GB/T 13927的规定。
5、依据测试设计安排,分别在阀板启闭循环2520次、5000次、10000次、14545次、30 676次、41955次、51508次时拆阀解体检查阀板的磨损情况,并依次记录阀板各测量点的磨损情况。阀板测量点分布如图2所示。
图2 软密封闸阀阀板测量点分布
网站首页